钢易通平台欢迎您!
请登录
免费注册
用户中心
钢易通首页
帮助中心
意见箱
平台产品
钢易智企
|
系统登录
钢易智客
|
系统登录
钢易智造
|
系统登录
钢易智询
移动端
官方微信
服务热线:400-660-7558
· 订单市场
产能
产能
订单
资讯
企业
产品
会展
标准
教程
文献
技术
搜索
发布需求
首页
产能市场
订单市场
资讯
钢易头条
行业动态
企业新闻
市场行情
政策解读
平台新闻
企业
产品
直播中心
知识中心
会展
产能地图
钢易通
供需中心
需求详情
采购订单
采购钛螺母
数量:
2000000件
报价:1
地区:
浙江省-宁波市
发布时间:
2022-08-24
企业名称:
暂无
联系人:
先**
需求类型:
采购订单
需求标签:
有效期:
2022-09-23
查看详细信息
详情描述
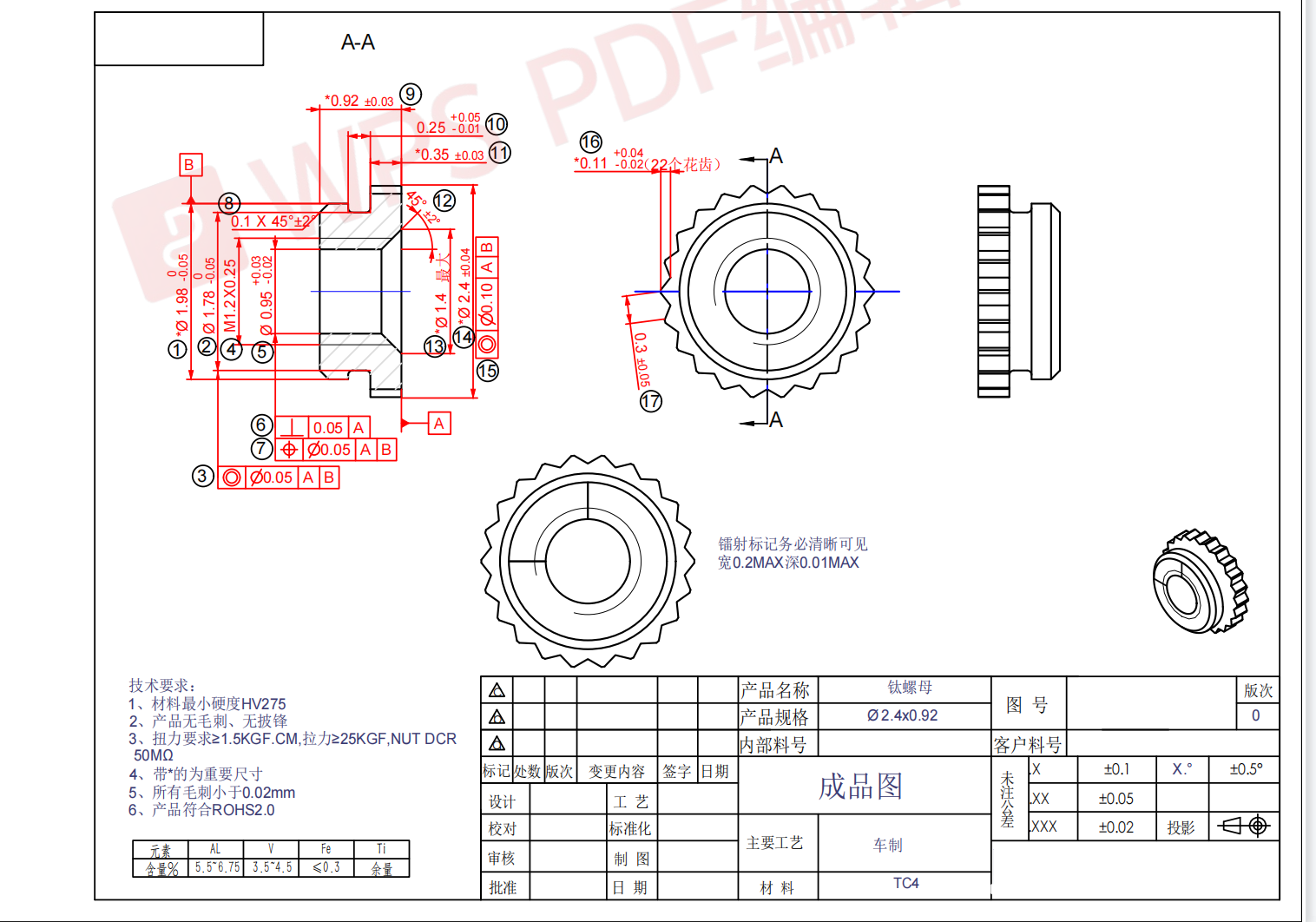
材料钛合金,具体要求见图纸
报价列表
暂无报价
免责声明:本页展现的需求信息均由企业自行提供,其真实性、准确性及合法性由发布企业负责。钢易通平台仅对企业的经营信息(营业执照)真实性进行审核、认证。 建议供需方企业自行鉴别合作商交易真伪性。若双方线下交易出现纠纷,由于钢易通作为公司无权介入,建议通过司法途径解决问题。
推荐需求
塑料手柄
需求标签:
暂无
地区:
广东省-江门市
查看详情
展示架
需求标签:
暂无
地区:
山东省-滨州市
查看详情
仓库储存货架
需求标签:
暂无
地区:
江苏省-无锡市
查看详情
易切削铁 本色
需求标签:
暂无
地区:
河北省-邯郸市
查看详情